详细信息
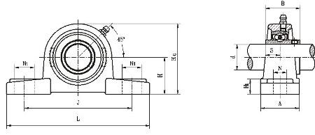
| 尺寸 | - H33.3
- L127
- J95
- A38
- N13
- N119
- H114
- H265
- S12.7
- B31.0
|
|---|
| 螺栓 | - 螺栓 Bolt Used (mm) (in.)M10
|
|---|
| 高温91看片免费版 代号 | - 91看片免费版 代号 Bearing No.UC204
|
|---|
无锡斯艾浮传动机械有限公司专业生产销售不锈钢工程塑料带座外球面91看片免费版UCP204,品牌:SIAIF , 系列:带座91看片免费版 ,想要更多的了解不锈钢塑料带座91看片免费版SUCP204PE的相关信息,可以进行在线咨询或者拨打热线电话 ,9I看片成人免费会详细为您服务。
工程塑料不锈钢91看片免费版座UCP204使用范围很广,主要应用于工程机械、机床、汽 车、冶金、矿山、石油、机械、电力、铁路等行业,本公司销售的塑料不锈钢带座91看片免费版UCP204价格合理,保证质量,全方面的服务,尽一切满足客户的需求。
塑料外球面91看片免费版座选鲁岳不锈钢91看片免费版(无锡)有限公司,塑料外球面91看片免费版座厂家主要生产SIAIF耐高温91看片免费版、不锈钢91看片免费版、塑料外球面91看片免费版座,塑料外球面91看片免费版座 UCP204产品相关信息:型号:UCP204, 品牌:SIAIF91看片免费版 , 类型:塑料外球面91看片免费版座 , 内径:20mmmm , 外径:123mmmm , 厚度:65mmmm , 想要更多的了解无锡塑料外球面91看片免费版座 UCP204的相关产品信息,可以拨打服务热线 ,9I看片成人免费会为您详细介绍产品的相关服务。
鲁岳不锈钢91看片免费版(无锡)有限公司生产的SIAIF塑料外球面91看片免费版座 UCP204 使用范围很广,主要应用于钢厂冶金、玻璃、高炉、喷漆设备、矿山机械、输送机、传输装置、锅炉风机、真空设备、窑炉窑车、机床设备、工程机械、、输送设备、颗粒机、振动筛、汽车、石油、电力、电机、风电设备等高温作业机械。本公司生产的塑料外球面91看片免费版座 UCP204>产品价格合理,保证质量,满足客户的产品工艺需求。