详细信息
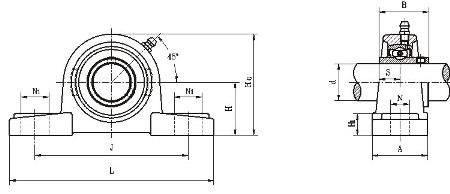
| 尺寸 Dimensions(mm)(inch) | - H49.2
- L184
- J137
- A54
- N17
- N121
- H118
- H298
- S19.0
- B49.2
|
|---|
| 螺栓 Bolt Used (mm) (in.) | - 螺栓 Bolt Used (mm) (in.)M14
|
|---|
| 91看片免费版 代号 Bearing No. | - 91看片免费版 代号 Bearing No.UC208
|
|---|
无锡斯艾浮传动机械有限公司专业生产销售铸钢外球面91看片免费版座UCP208,UCP208相关信息有: 型号UCP208 内径:40 外径:49.2 厚度:186 品牌:SIAIF 系列:铸钢外球面91看片免费版座 ,想要更多的了解UCP208的相关信息,可以进行在线咨询或者拨打热线电话 ,9I看片成人免费会详细为您服务。
UCP208使用范围很广,带座91看片免费版UCP208主要应用于工程机械、机床、汽 车、冶金、矿山、石油、机械、电力、铁路等行业,本公司生产销售的UCP208价 格合理,保证质量,全方面的服务,尽一切满足客户的需求。
带座外球面91看片免费版选鲁岳不锈钢91看片免费版(无锡)有限公司,带座外球面91看片免费版厂家主要生产SIAIF耐高温91看片免费版、不锈钢91看片免费版、带座外球面91看片免费版,带座外球面91看片免费版 UCP208铸钢产品相关信息:型号:UCP208铸钢, 品牌:SIAIF91看片免费版 , 类型:带座外球面91看片免费版 , 内径:40mm , 外径:186mm , 厚度:49.2mm , 想要更多的了解无锡带座外球面91看片免费版 UCP208铸钢的相关产品信息,可以拨打服务热线 ,9I看片成人免费会为您详细介绍产品的相关服务。
鲁岳不锈钢91看片免费版(无锡)有限公司生产的SIAIF带座外球面91看片免费版 UCP208铸钢 使用范围很广,主要应用于钢厂冶金、玻璃、高炉、喷漆设备、矿山机械、输送机、传输装置、锅炉风机、真空设备、窑炉窑车、机床设备、工程机械、、输送设备、颗粒机、振动筛、汽车、石油、电力、电机、风电设备等高温作业机械。本公司生产的带座外球面91看片免费版 UCP208铸钢>产品价格合理,保证质量,满足客户的产品工艺需求。