1. 9I看片成人免费,91看片免费版,国产看片网站,免费看片APP网站

    型号查询
    91看片免费版型号   品牌
    SIAIF
    类型 内径   外径   厚度   点击查询

    型号查询 X

    SIAIF

    不锈钢91看片免费版,高温91看片免费版,耐高温91看片免费版,薄壁球91看片免费版,自润滑91看片免费版,转台91看片免费版,外球面91看片免费版,组合91看片免费版,汽车91看片免费版,角接触球91看片免费版,无油91看片免费版,交叉滚子91看片免费版,调心球91看片免费版,平面91看片免费版,角接触91看片免费版,哈尔滨91看片免费版,高速91看片免费版,陶瓷91看片免费版,高温润滑脂,圆锥滚子91看片免费版,推力球91看片免费版,调心滚子91看片免费版,圆柱滚子91看片免费版,91看片免费版座,SKF91看片免费版,NSK91看片免费版,NTN91看片免费版,替代进口91看片免费版型号查询

    UCP209铸钢91看片免费版座

    带座外球面91看片免费版 UCP209铸钢

    产品名称:UCP209铸钢91看片免费版座 类型:带座外球面91看片免费版
    品牌:SIAIF 新型号:UCP209铸钢
    旧型号:UCP209铸钢 内径d:45
    外径D:190 厚度(mm):54
    重量:2.45

    咨询热线:13395101668

    详细信息

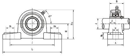
    SIAIF带座91看片免费版 UCP209 详细参数

    轴径 Shaft Dia.
    • d (in.)
    • d (mm)45
    尺寸 Dimensions(mm)(inch)
    • H54.0
    • L190
    • J146
    • A54
    • N17
    • N121
    • H120
    • H2106
    • S19.0
    • B49.2
    基本代号Unit No.
    • 基本代号Unit No.UCP209
    螺栓 Bolt Used (mm) (in.)
    • 螺栓 Bolt Used (mm) (in.)M14
    91看片免费版 代号 Bearing No.
    • 91看片免费版 代号 Bearing No.UC209
    重量 Weight (kg) (lb)
    • 重量 Weight (kg) (lb)2.45
    座 代号 Housing No.
    • 座 代号 Housing No.P209

    无锡斯艾浮传动机械有限公司专业生产销售立式带铸钢座外球面91看片免费版UCP209,UCP209相关信息有: 型号UCP209 内径:45 外径:49.2 厚度:192 品牌:SIAIF  系列:铸钢外球面91看片免费版座 ,想要更多的了解UCP209的相关信息,可以进行在线咨询或者拨打热线电话 ,9I看片成人免费会详细为您服务。

    铸钢座外球面91看片免费版UCP209使用范围很广,立式带座91看片免费版UCP209主要应用于工程机械、机床、汽 车、冶金、矿山、石油、机械、电力、铁路等行业,本公司生产的立式91看片免费版座UCP209价 格合理,保证质量,全方面的服务,尽一切满足客户的需求。
    带座外球面91看片免费版选鲁岳不锈钢91看片免费版(无锡)有限公司,带座外球面91看片免费版厂家主要生产SIAIF耐高温91看片免费版、不锈钢91看片免费版、带座外球面91看片免费版,带座外球面91看片免费版 UCP209铸钢产品相关信息:型号:UCP209铸钢,   品牌:SIAIF91看片免费版 ,  类型:带座外球面91看片免费版 ,  内径:45mm ,  外径:190mm ,  厚度:54mm ,  想要更多的了解无锡带座外球面91看片免费版 UCP209铸钢的相关产品信息,可以拨打服务热线 ,9I看片成人免费会为您详细介绍产品的相关服务。

    鲁岳不锈钢91看片免费版(无锡)有限公司生产的SIAIF带座外球面91看片免费版 UCP209铸钢 使用范围很广,主要应用于钢厂冶金、玻璃、高炉、喷漆设备、矿山机械、输送机、传输装置、锅炉风机、真空设备、窑炉窑车、机床设备、工程机械、、输送设备、颗粒机、振动筛、汽车、石油、电力、电机、风电设备等高温作业机械。本公司生产的带座外球面91看片免费版 UCP209铸钢>产品价格合理,保证质量,满足客户的产品工艺需求。

    网站地图