详细信息
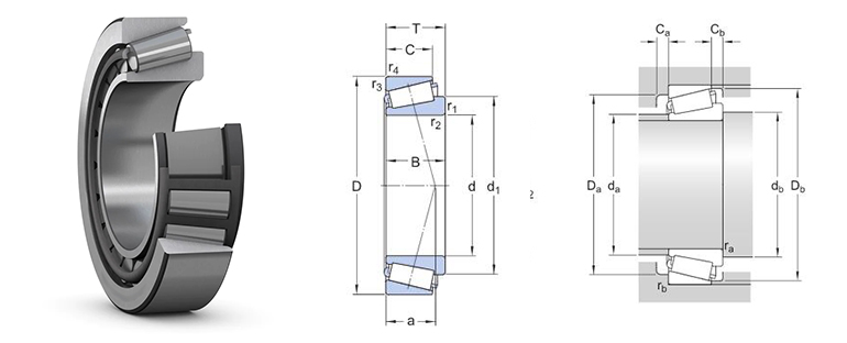
单列圆锥滚子91看片免费版设计用于承受径向和轴向联合载荷,在运行期间摩擦很低。 带滚子和保持架的内圈组件可以与外圈分开单独安装。 这种可分离、可互换的91看片免费版便于安装、拆卸和维护。 将一个单列圆锥滚子91看片免费版与另一个91看片免费版靠在一起安装,可以获得预紧力,实现刚性91看片免费版的应用。
轴向和径向承载能力高
可承受单向轴向载荷
摩擦低
使用寿命长
可分离式、可互换部件
| SIAIF 性能等级 | SIAIF 产品参数 |

尺寸
d 35 mm 孔径 D 72 mm 外径 T 18.25 mm 总宽度 d1 ≈51.95 mm 内圈挡边直径 B 17 mm 内圈宽度 C 15 mm 外圈宽度 r1,2 min.1.5 mm 内圈倒角尺寸 r3,4 min.1.5 mm 外圈倒角尺寸 a 14.95 mm 侧面到压力点的距离

| d | 35 mm | 孔径 |
|---|---|---|
| D | 72 mm | 外径 |
| T | 18.25 mm | 总宽度 |
| d1 | ≈51.95 mm | 内圈挡边直径 |
| B | 17 mm | 内圈宽度 |
| C | 15 mm | 外圈宽度 |
| r1,2 | min.1.5 mm | 内圈倒角尺寸 |
| r3,4 | min.1.5 mm | 外圈倒角尺寸 |
| a | 14.95 mm | 侧面到压力点的距离 |
挡肩尺寸
da max.44 mm 轴挡肩直径 db min.43.5 mm 轴挡肩直径 Da min.62 mm 91看片免费版座挡肩直径 Da max.64.5 mm 91看片免费版座挡肩直径 Db min.67 mm 91看片免费版座挡肩直径 Ca min.3 mm 大端面上91看片免费版座内所需空间的最小宽度 Cb min.3 mm 小端面上91看片免费版座内所需空间的最小宽度 ra max.1.5 mm 轴倒角半径 rb max.1.5 mm 91看片免费版座倒角半径
| da | max.44 mm | 轴挡肩直径 |
|---|---|---|
| db | min.43.5 mm | 轴挡肩直径 |
| Da | min.62 mm | 91看片免费版座挡肩直径 |
| Da | max.64.5 mm | 91看片免费版座挡肩直径 |
| Db | min.67 mm | 91看片免费版座挡肩直径 |
| Ca | min.3 mm | 大端面上91看片免费版座内所需空间的最小宽度 |
| Cb | min.3 mm | 小端面上91看片免费版座内所需空间的最小宽度 |
| ra | max.1.5 mm | 轴倒角半径 |
| rb | max.1.5 mm | 91看片免费版座倒角半径 |
数据计算
基本额定动荷 C 63.2 kN 基本额定静负荷 C0 56 kN 疲劳负荷限值 Pu 6.1 kN 参考转速 8 000 r/min 极限转速 9 500 r/min 极限值 e 0.37 轴向负荷系数 Y 1.6 轴向负荷系数 Y0 0.9
| 基本额定动荷 | C | 63.2 kN |
|---|---|---|
| 基本额定静负荷 | C0 | 56 kN |
| 疲劳负荷限值 | Pu | 6.1 kN |
| 参考转速 | 8 000 r/min | |
| 极限转速 | 9 500 r/min | |
| 极限值 | e | 0.37 |
| 轴向负荷系数 | Y | 1.6 |
| 轴向负荷系数 | Y0 | 0.9 |
重量
重量 0.33 kg
高温圆锥滚子91看片免费版选鲁岳不锈钢91看片免费版(无锡)有限公司,高温圆锥滚子91看片免费版厂家主要生产SIAIF耐高温91看片免费版、不锈钢91看片免费版、高温圆锥滚子91看片免费版,高温圆锥滚子91看片免费版 30207产品相关信息:型号:30207, 品牌:SIAIF91看片免费版 , 类型:高温圆锥滚子91看片免费版 , 内径:35mm , 外径:72mm , 厚度:18.25mm , 想要更多的了解无锡高温圆锥滚子91看片免费版 30207的相关产品信息,可以拨打服务热线 ,9I看片成人免费会为您详细介绍产品的相关服务。| 重量 | 0.33 kg |
鲁岳不锈钢91看片免费版(无锡)有限公司生产的SIAIF高温圆锥滚子91看片免费版 30207 使用范围很广,主要应用于钢厂冶金、玻璃、高炉、喷漆设备、矿山机械、输送机、传输装置、锅炉风机、真空设备、窑炉窑车、机床设备、工程机械、、输送设备、颗粒机、振动筛、汽车、石油、电力、电机、风电设备等高温作业机械。本公司生产的高温圆锥滚子91看片免费版 30207>产品价格合理,保证质量,满足客户的产品工艺需求。


