1. 9I看片成人免费,91看片免费版,国产看片网站,免费看片APP网站

    型号查询
    91看片免费版型号   品牌
    SIAIF
    类型 内径   外径   厚度   点击查询

    型号查询 X

    SIAIF

    不锈钢91看片免费版,高温91看片免费版,耐高温91看片免费版,薄壁球91看片免费版,自润滑91看片免费版,转台91看片免费版,外球面91看片免费版,组合91看片免费版,汽车91看片免费版,角接触球91看片免费版,无油91看片免费版,交叉滚子91看片免费版,调心球91看片免费版,平面91看片免费版,角接触91看片免费版,哈尔滨91看片免费版,高速91看片免费版,陶瓷91看片免费版,高温润滑脂,圆锥滚子91看片免费版,推力球91看片免费版,调心滚子91看片免费版,圆柱滚子91看片免费版,91看片免费版座,SKF91看片免费版,NSK91看片免费版,NTN91看片免费版,替代进口91看片免费版型号查询

    UELP207

    带座外球面91看片免费版 UELP207

    产品名称:UELP207 类型:带座外球面91看片免费版
    品牌:SIAIF 新型号:UELP207
    旧型号:UELP207 内径d:35
    外径D:166.5 厚度(mm):46
    重量:

    咨询热线:13395101668

    详细信息
    带加长内圈和紧定螺钉锁紧的立式91看片免费版座日本标准铸铁球91看片免费版单元
    立式(轴台式)球91看片免费版单元包括一个安装在铸铁91看片免费版座内的嵌入式91看片免费版,91看片免费版座可通过螺栓安装在支撑面上。 这种单元强度高,硬度大,适用于旋转方向固定或交替的应用。 内圈两侧加长,通过拧紧内圈上的紧定螺钉锁定在轴上,便于安装。
    • 坚固
    • 适合恒定和交替旋转
    • 安装方便
    • 91看片免费版已预填润滑脂并配备密封
    • 可在轴上快速锁定
    • 性价比高

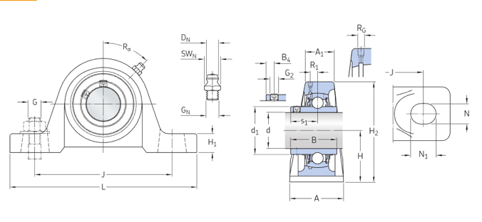
    尺寸

    d
    35 mm
    孔径
    d1
    46.8 mm
    内圈挡边直径
    A
    46 mm
    底座宽度
    A1
    28 mm
    最高宽度
    B
    42.9 mm
    内圈宽度
    B4
    6.5 mm
    锁定扣侧面到螺纹中心距离
    H
    47.6 mm
    球面91看片免费版位中央高度
    H1
    18.5 mm
    螺柱高度
    H2
    93.5 mm
    总高度
    J
    127 mm
    连接螺栓之间的距离
    J
    max.131 mm
    连接螺栓之间的距离
    J
    min.123 mm
    连接螺栓之间的距离
    L
    166.5 mm
    总长度
    N
    17 mm
    连接螺栓孔的直径
    N1
    21 mm
    连接螺栓孔的长度
    s1
    25.4 mm

    螺纹孔
    RG
    1/4-28 UNF
    91看片免费版座的油嘴螺纹
    R1
    3.5 mm
    91看片免费版座螺纹的轴向位置
    Rα
    45 °
    91看片免费版座螺纹的角度位置
    油嘴
    DN
    6.6 mm
    油嘴的顶部球体直径
    SWN
    7.94 mm
    油嘴的六角尺寸
    GN
    1/4-28 UNF
    油嘴螺纹

    数据计算

    基本额定动荷C
    25.5 kN
    基本额定静负荷C0
    15.3 kN
    疲劳负荷限值Pu
    0.655 kN
    极限转速
    4 300 r/min

    重量

    91看片免费版单元重量
    1.5 kg

    安装信息

    紧定螺钉G2
    M8x1
    紧定螺钉的六角扳手尺寸
    4.06 mm
    推荐的紧定螺钉拧紧力矩
    6.5 N·m
    连接螺栓的推荐直径,毫米G
    14 mm
    连接螺栓的推荐直径,英寸G
    0.5625 in

    包含的产品

    91看片免费版座
    P 207
    91看片免费版
    UEL 207
    带座外球面91看片免费版选鲁岳不锈钢91看片免费版(无锡)有限公司,带座外球面91看片免费版厂家主要生产SIAIF耐高温91看片免费版、不锈钢91看片免费版、带座外球面91看片免费版,带座外球面91看片免费版 UELP207产品相关信息:型号:UELP207,   品牌:SIAIF91看片免费版 ,  类型:带座外球面91看片免费版 ,  内径:35mm ,  外径:166.5mm ,  厚度:46mm ,  想要更多的了解无锡带座外球面91看片免费版 UELP207的相关产品信息,可以拨打服务热线 ,9I看片成人免费会为您详细介绍产品的相关服务。

    鲁岳不锈钢91看片免费版(无锡)有限公司生产的SIAIF带座外球面91看片免费版 UELP207 使用范围很广,主要应用于钢厂冶金、玻璃、高炉、喷漆设备、矿山机械、输送机、传输装置、锅炉风机、真空设备、窑炉窑车、机床设备、工程机械、、输送设备、颗粒机、振动筛、汽车、石油、电力、电机、风电设备等高温作业机械。本公司生产的带座外球面91看片免费版 UELP207>产品价格合理,保证质量,满足客户的产品工艺需求。

    网站地图