详细信息
带偏心套和加长内圈的嵌入式91看片免费版
嵌入式91看片免费版基于密封深沟球91看片免费版设计的。 这种型式的嵌入式91看片免费版适用于旋转方向固定的应用。 内圈两侧加长,且带有偏心套,可快速方便地装在轴上。
快速方便安装在轴上
可承受初始静态不对中
使用寿命长
降低噪声和振动级别

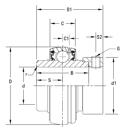
规格
孔型 | 圆柱孔 |
91看片免费版类型 | 滚珠91看片免费版 |
轴尺寸 d | 70 毫米 |
材料 | 91看片免费版钢 |
锁定方式 | 偏心锁环 |
方面
外径D | 125 毫米 |
内圈宽度 B | 68.2 毫米 |
外圈宽度 C | 30 毫米 |
半径r | 1.5 毫米 |
凹槽位置 C1 | 9 毫米 |
S 端的91看片免费版中心 | 34.1 毫米 |
紧定螺钉距离 S2 | 8.5 毫米 |
紧定螺钉尺寸 | M10x1.25 |
紧定螺钉数量 | 1个 |
尺寸 d1 | 97 毫米 |
维度 B1 | 85.7 毫米 |
基本额定载荷
额定静载荷 | 44100N |
额定动载荷 | 62200N |
鲁岳不锈钢91看片免费版(无锡)有限公司生产的SIAIF带座外球面91看片免费版 UEL214 使用范围很广,主要应用于钢厂冶金、玻璃、高炉、喷漆设备、矿山机械、输送机、传输装置、锅炉风机、真空设备、窑炉窑车、机床设备、工程机械、、输送设备、颗粒机、振动筛、汽车、石油、电力、电机、风电设备等高温作业机械。本公司生产的带座外球面91看片免费版 UEL214>产品价格合理,保证质量,满足客户的产品工艺需求。


