1. 9I看片成人免费,91看片免费版,国产看片网站,免费看片APP网站

    型号查询
    91看片免费版型号   品牌
    SIAIF
    类型 内径   外径   厚度   点击查询

    型号查询 X

    SIAIF

    不锈钢91看片免费版,高温91看片免费版,耐高温91看片免费版,薄壁球91看片免费版,自润滑91看片免费版,转台91看片免费版,外球面91看片免费版,组合91看片免费版,汽车91看片免费版,角接触球91看片免费版,无油91看片免费版,交叉滚子91看片免费版,调心球91看片免费版,平面91看片免费版,角接触91看片免费版,哈尔滨91看片免费版,高速91看片免费版,陶瓷91看片免费版,高温润滑脂,圆锥滚子91看片免费版,推力球91看片免费版,调心滚子91看片免费版,圆柱滚子91看片免费版,91看片免费版座,SKF91看片免费版,NSK91看片免费版,NTN91看片免费版,替代进口91看片免费版型号查询

    UELP211-32

    带座外球面91看片免费版 UELP211-32

    产品名称:UELP211-32 类型:带座外球面91看片免费版
    品牌:SIAIF 新型号:UELP211-32
    旧型号:UELP211-32 内径d:
    外径D: 厚度(mm):
    重量:

    咨询热线:13395101668

    详细信息

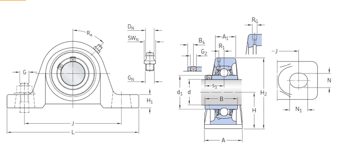
    带加长内圈和紧定螺钉锁紧的立式91看片免费版座日本标准铸铁球91看片免费版单元

    立式(轴台式)球91看片免费版单元包括一个安装在铸铁91看片免费版座内的嵌入式91看片免费版,91看片免费版座可通过螺栓安装在支撑面上。 这种单元强度高,硬度大,适用于旋转方向固定或交替的应用。 内圈两侧加长,通过拧紧内圈上的紧定螺钉锁定在轴上,便于安装。

    • 坚固

    • 适合恒定和交替旋转

    • 安装方便

    • 91看片免费版已预填润滑脂并配备密封

    • 可在轴上快速锁定

    • 性价比高


    规格

    91看片免费版编号

    UEL211-32

    锁定方式

    偏心锁紧环

    房屋建设

    双螺栓基座

    尺寸

    底座到中心高度 H

    63.5 毫米

    总长度 L

    219 毫米

    外壳宽度 A

    60 毫米

    螺栓孔间距 J

    171 毫米

    螺栓孔尺寸 N

    20 毫米

    螺栓孔长度 N1

    22 毫米

    脚高 H1

    23 毫米

    总高度 H2

    125 毫米

    尺寸 L1

    65 毫米

    尺寸 B1

    71.4 毫米

    从端 S 开始的91看片免费版中心

    27.8 毫米

    螺栓尺寸

    M16

    基本额定载荷

    额定静载荷

    29400 N

    额定动态负载

    43400 N


      带座外球面91看片免费版选鲁岳不锈钢91看片免费版(无锡)有限公司,带座外球面91看片免费版厂家主要生产SIAIF耐高温91看片免费版、不锈钢91看片免费版、带座外球面91看片免费版,带座外球面91看片免费版 UELP211-32产品相关信息:型号:UELP211-32,   品牌:SIAIF91看片免费版 ,  类型:带座外球面91看片免费版 ,  内径:mm ,  外径:mm ,  厚度:mm ,  想要更多的了解无锡带座外球面91看片免费版 UELP211-32的相关产品信息,可以拨打服务热线 ,9I看片成人免费会为您详细介绍产品的相关服务。

      鲁岳不锈钢91看片免费版(无锡)有限公司生产的SIAIF带座外球面91看片免费版 UELP211-32 使用范围很广,主要应用于钢厂冶金、玻璃、高炉、喷漆设备、矿山机械、输送机、传输装置、锅炉风机、真空设备、窑炉窑车、机床设备、工程机械、、输送设备、颗粒机、振动筛、汽车、石油、电力、电机、风电设备等高温作业机械。本公司生产的带座外球面91看片免费版 UELP211-32>产品价格合理,保证质量,满足客户的产品工艺需求。

      网站地图