1. 9I看片成人免费,91看片免费版,国产看片网站,免费看片APP网站

    型号查询
    91看片免费版型号   品牌
    SIAIF
    类型 内径   外径   厚度   点击查询

    型号查询 X

    SIAIF

    不锈钢91看片免费版,高温91看片免费版,耐高温91看片免费版,薄壁球91看片免费版,自润滑91看片免费版,转台91看片免费版,外球面91看片免费版,组合91看片免费版,汽车91看片免费版,角接触球91看片免费版,无油91看片免费版,交叉滚子91看片免费版,调心球91看片免费版,平面91看片免费版,角接触91看片免费版,哈尔滨91看片免费版,高速91看片免费版,陶瓷91看片免费版,高温润滑脂,圆锥滚子91看片免费版,推力球91看片免费版,调心滚子91看片免费版,圆柱滚子91看片免费版,91看片免费版座,SKF91看片免费版,NSK91看片免费版,NTN91看片免费版,替代进口91看片免费版型号查询

    UC216/VA228

    高温带座外球面91看片免费版 UC216/VA228

    产品名称:UC216/VA228 类型:高温带座外球面91看片免费版
    品牌:SIAIF 新型号:UC216/VA228
    旧型号:UC216/VA228 内径d:80
    外径D:140 厚度(mm):77.8
    重量:

    咨询热线:13395101668

    详细信息

    带紧定螺钉和加长内圈的高温嵌入式91看片免费版

    SIAIF 高温91看片免费版用于高达 350 °C (660 °F) 的运行温度,可提高可靠性,降低复杂程度,并降低对环境的影响。 这使得这种产品非常适合窑车、辊式炉和面包房等旋转方向固定或交替的应用。

    • 极端条件下性能卓越

    • 减少对环境的影响

    • 降低整体运行成本

    • 几乎免维护运行



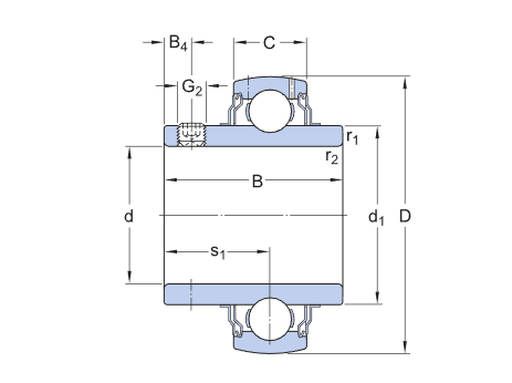
    尺寸

    d

    80 mm

    孔径
    D

    140 mm

    外径
    B

    77.8 mm

    内圈宽度
    C

    30 mm

    外圈宽度
    d1

    ≈97.4 mm

    内圈挡边直径
    B4

    12 mm

    锁定扣侧面到螺纹中心距离
    s1

    47.6 mm

    锁定扣侧面到滚道中心的距离
    r1,2

    min.2 mm

    倒角尺寸


    数据计算

    基本额定动荷C

    72.8 kN

    基本额定静负荷C0

    53 kN

    极限转速

    60 r/min

    工作温度T

    max.250 °C


    重量

    91看片免费版重量

    2.55 kg


    安装信息

    紧定螺钉G2

    M10x1

    紧定螺钉的六角扳手尺寸N

    5 mm

    推荐的紧定螺钉拧紧力矩

    16.5 N·m



    高温带座外球面91看片免费版选鲁岳不锈钢91看片免费版(无锡)有限公司,高温带座外球面91看片免费版厂家主要生产SIAIF耐高温91看片免费版、不锈钢91看片免费版、高温带座外球面91看片免费版,高温带座外球面91看片免费版 UC216/VA228产品相关信息:型号:UC216/VA228,   品牌:SIAIF91看片免费版 ,  类型:高温带座外球面91看片免费版 ,  内径:80mm ,  外径:140mm ,  厚度:77.8mm ,  想要更多的了解无锡高温带座外球面91看片免费版 UC216/VA228的相关产品信息,可以拨打服务热线 ,9I看片成人免费会为您详细介绍产品的相关服务。

    鲁岳不锈钢91看片免费版(无锡)有限公司生产的SIAIF高温带座外球面91看片免费版 UC216/VA228 使用范围很广,主要应用于钢厂冶金、玻璃、高炉、喷漆设备、矿山机械、输送机、传输装置、锅炉风机、真空设备、窑炉窑车、机床设备、工程机械、、输送设备、颗粒机、振动筛、汽车、石油、电力、电机、风电设备等高温作业机械。本公司生产的高温带座外球面91看片免费版 UC216/VA228>产品价格合理,保证质量,满足客户的产品工艺需求。

    网站地图